GCAN-226 CAN中继网桥


一、功能概述
GCAN-226模块是集成2路CAN接口的高性能型CAN总线通讯中继模块。该型号CAN卡可兼容USB2.0总线全速规范,采用GCAN-226模块高性能CAN接口卡,无需连接PC即可起到不同CAN网络的中继,使波特率不同的CAN网络互相通信。GCAN-226模块是连接不同CAN总线网络的高性能工具,同时具有体积小巧、即插即用等特点,也是便携式系统用户的最佳选择。GCAN-226模块集成CAN接口电气隔离保护模块,双路CAN分别隔离,使其避免由于瞬间过流/过压而对设备造成损坏,增强系统在恶劣环境中使用的可靠性。GCAN-226模块接口卡可使用我公司自主开发的GCANTools通用测试/配置软件配置参数。
二、设备参数
沈阳广成科技GCAN-226型CAN中继器网桥的设备参数包括:
(1)PC接口符合USB2.0全速规范,兼容USB1.1及USB3.0;
(2)集成2路CAN总线接口,使用凤凰端子接线方式;
(3)支持CAN2.0A和CAN2.0B帧格式,符合ISO/DIS 11898规范;
(4)CAN总线通讯波特率在5kps~1Mbps之间任意可编程;
(5)CAN总线自带120Ω终端电阻,可通过连线接入;
(6)CAN总线接口采用电气隔离,隔离模块绝缘电压:DC 1500V;
(7)总线自动复位;
(8)使用外接电源(DC 9-30V);
(9)供电电流:25mA;
(10)最高接收数据流量:14000 fps;
(11)工作温度范围:-40℃~+85℃;
三、典型应用
沈阳广成科技GCAN-226型CAN中继器网桥的设备应用领域包括:
(1)汽车电子网络
(2)电力通讯网络
(3)工业控制网络
(4)高速、大数据量通讯
如果您需要对沈阳广成科技GCAN-226型CAN中继器网桥进行询价或者技术咨询,可以加微信13019325660或拨打电话具体对接。
四、设备安装
1、设备尺寸
设备外形尺寸:(长,含接线端子)115mm*(宽)23mm*(高)100mm,其示意图如图所示。

图2.1 GCAN-226模块外形尺寸
2、设备固定
GCAN-226模块安装方法如图所示,可使用一字螺丝刀辅助将模块安装到DIN导轨上。

图2.2 GCAN-226模块安装
GCAN-226模块与安装模块的导轨相连。如果导轨固定到一个接地的金属组件板上,那么模块会自动接地,不需要从外部接地线。如果导轨固定到一个未接地的底座上,那么必须将导轨连接到最近的接地端子上。
3、接口定义及功能
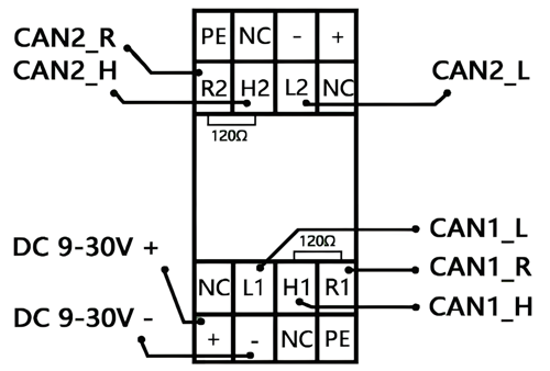
GCAN-226模块集成2路DC 9-30V电源接口、2路标准CAN总线接口,CAN总线自带120Ω终端电阻,可通过连线接入。GCAN-226模块接线端子如图所示。

图2.3 GCAN-226模块接线端子排
GCAN-226模块的上方为电源接口和CAN2接口。电源接口由1个4 PIN插拔式接线端子引出(绿色),CAN总线接口由一个4 PIN插拔式接线端子引出(绿色),电源接口及CAN2总线接口位置、接口定义如图所示。

表2.1 GCAN-226电源及CAN2接口定义
GCAN-226模块的下方为CAN1接口和电源接口。电源接口由1个4 PIN插拔式接线端子引出(绿色),CAN总线接口由一个4 PIN插拔式接线端子引出(绿色),电源接口及CAN2总线接口位置、接口定义如图所示。

表2.2 GCAN-226电源及CAN1接口定义
五、设备使用
GCAN-226模块集成两路CAN总线,无需连接PC即可起到不同CAN网络的中继,使波特率不同的CAN网络互相通信。
1、CAN总线配置
GCAN-226系列模块在使用前一般需要用户对CAN总线通信参数进行配置或委托我公司出厂配置,本模块有两种配置方式。
2、通过拨码开关配置CAN总线波特率
当用户第一次使用GCAN-226模块时,可先打开设备外壳,直接使用设备内部的拨码开关调整对应CAN总线的波特率。拨码开关如图所示。

图3.1 拨码开关
拨码开关设置波特率方法:系统先不要上电,用螺丝刀撬动绿色外壳,拿掉外壳主体,找到设备中如上图所示的拨码开关,拨码开关的“1、2、3、4”号可以对CAN1波特率进行配置,“5、6、7、8”号可以对CAN2波特率进行配置。具体配置方法以CAN1为例,详见表3.1。ON方向为1,数字方向为0。
注:硬件配置时,软件配置失效。

表3.1 GCAN-226系列模块波特率配置图示
拨码开关配置完成后,关闭设备外壳上电即可使用。
3、通过软件配置CAN总线波特率
GCAN-226模块也可以使用USB接口用PC端软件配置参数,接口卡的USB接口符合USB2.0全速协议规范,可以与具有USB1.1标准、USB2.0标准、USB3.0标准的PC机连接通讯。具体配置方法如下:
用螺丝刀撬动绿色外壳,拿掉外壳主体,首先将GCAN-226模块的波特率拨码开关全部拨到数字一侧(默认),然后通过Type-C数据线直接连接PC的USB接口。
(1)软件启动
1、如用户已安装GCANTools软件,可以通过双击桌面上的“GCANTools”图标打开软件,出现如图的界面。

图3.2 GCANTools软件打开界面
2、选择对应的设备类型后,点击“打开设备”即可在设备列表中出现已经插入电脑USB接口的CAN设备。
(2)中继功能
CAN中继功能可将2条波特率相同或不同的CAN总线数据进行相互转发。您可通过点选“工作模式”——“普通中继模式”——“设置CAN1和CAN2的波特率”——“写设置”来设置GCAN-226的工作模式。操作流程如图所示。

图3.3中继模式配置流程
(3)中继滤波功能
勾选滤波器使能,添加Add,使用中继滤波功能。可以同时设置标准帧或者扩展帧,滤波参数最多12组。如图中继滤波配置流程。

图3.4中继滤波配置流程
设置完成后,点击写设置,会出现如图所示的“设置成功,请重新插拔usb!”结果。之后设备需要重新上电,配置才会生效。

图3.5设置成功的结果
4、与CAN总线连接
GCAN-226系列模块接入CAN总线连接方式为将CAN_H连CAN_H,CAN_L连CAN_L即可建立通信。CAN总线网络采用直线拓扑结构,总线最远的2个终端需要安装120Ω的终端电阻;如果节点数目大于2,中间节点不需要安装120Ω的终端电阻。对于分支连接,其长度不应超过3米。CAN总线的连接见图所示。

图3.6 CAN总线网络的拓扑结构
请注意:CAN总线电缆可以使用普通双绞线、屏蔽双绞线。理论最大通信距离主要取决于总线波特率,最大总线长度和波特率关系详见表。若通讯距离超过1Km,应保证线的截面积大于Φ1.0mm2,具体规格应根据距离而定,常规是随距离的加长而适当加大。

表3.2波特率与最大总线长度参照表
5、CAN总线终端电阻
为了增强CAN通讯的可靠性,消除CAN总线终端信号反射干扰,CAN总线网络最远的两个端点通常要加入终端匹配电阻,如图所示。终端匹配电阻的值由传输电缆的特性阻抗所决定。例如双绞线的特性阻抗为120Ω,则总线上的两个端点也应集成120Ω终端电阻。

图3.7 GCAN-226系列模块与其他CAN节点设备连接
注意:GCAN-226内部已集成120Ω终端电阻,可通过自己接线是否将电阻接入总线,R1、R2分别对应为CAN1、CAN2的终端电阻,H1连线R1即可启用CAN1端终端电阻,H2连线R2即可启用CAN2端终端电阻。接线如图所示:

图3.8 GCAN-226 终端电阻接线图
6、系统状态指示灯
GCAN-226系列模块具有1个PWR指示灯用来情况,1个SYS指示灯用来指示系统供电和系统的运行状态,2个CAN指示灯用来指示CAN总线数据传输。这3个指示灯的具体指示功能见下表,这3个指示灯处于各种状态的含义如表所示。

表3.3 GCAN-226系列模块指示灯

表3.4 GCAN-226系列模块指示灯状态
● GCAN-226模块上电后,SYS指示灯立即点亮,表明设备已经供电,待机状态;否则,表示系统存在电源故障或发生有严重的错误。;
● 对应CAN线均连接正常后,当有数据在CAN总线传输时,CAN灯随数据频率闪烁,无数据时熄灭;
● 同数据频率下,拨码开关配置CAN灯相对快闪近乎常亮,软件配置CAN灯相对慢闪;
● 如果CAN总线出现通讯错误,CAN灯将变红。
六、技术规格
